Tất cả tin tức

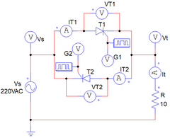
Bộ biến đổi điện áp xoay chiều 1 pha dùng SCR

Đăng bởi CÔNG TY TNHH KORESU 28/07/2022

  Nội dung bài viết iện áp xoay chiều là gì? Bộ biến đổi điện áp xoay chiều được sử dụng để thay đổi trị hiệu dụng của điện áp ngõ ra. Nó được mắc vào nguồn xoay chiều dạng sin với tần số và trị hiệu dụng không đổi và tạo ở ngõ ra điện áp xoay chiều có cùng tần số nhưng trị hiệu dụng điều khiển được. Do đó, bộ biến đổi điện áp xoay chiều sử dụng SCR có tính năng...

Diode là gì? Cấu tạo, phân loại, cách đo và ứng dụng của Diode

Đăng bởi CÔNG TY TNHH KORESU 28/07/2022

Diode là 1 loại linh kiện điện tử được dùng phổ thông nhất trong tất cả các mạch, thiết bị điện tử nào cũng không thể thiếu được. Vậy chúng ta hay cùng tìm hiểu về nó trong bài viết này [toc] Diode là gì? Điốt (Diode) là một linh kiện điện tử bán dẫn chỉ cho phép dòng điện đi qua nó theo một chiều duy nhất mà không chạy ngược lại. Điốt bán dẫn thường đều có nguyên lý cấu tạo chung...

Opto là gì? cấu tạo ứng dụng nguyên lý hoạt động của opto

Đăng bởi CÔNG TY TNHH KORESU 28/07/2022

Khái niệm opto là gì? Opto (optocoupler) còn gọi là bộ Opto cách ly quang  là một linh kiện dùng để chuyển tín hiệu điện sang ánh sáng và sau đó mới truyền đi. Ưu điểm chính của opto là cách ly điện áp giữa các mạch đầu vào và đầu ra. Tiếp xúc duy nhất giữa đầu vào và đầu ra ở opto là một chùm ánh sáng. Điện trở cách li giữa hai mạch lên tới hàng ngàn MΩ. Được ứng dụng...

Mạch khuếch đại – Âm thanh, tín hiệu video

Đăng bởi CÔNG TY TNHH KORESU 28/07/2022

Mạch khuếch đại là gì?     Mạch khuếch đại là mạch được sử dụng trong hầu hết các thiết bị điện tử, như mạch khuếch đại âm tần trong Cassete, Âmply, Khuếch đại tín hiệu video trong Ti vi mầu  v.v … Phân loại mạch khuếch đại Khuếch đại về điện áp : Là mạch khi ta đưa một tín hiệu có biên độ nhỏ vào, đầu ra ta sẽ thu được một tín hiệu có biên độ lớn hơn nhiều lần. Mạch khuếch đại về dòng điện : Là mạch khi...

Chi tiết mạch nguồn UC3842 UC3843 UC3844 UC3845

Đăng bởi CÔNG TY TNHH KORESU 28/07/2022

IC nguồn Switching UC3842 cũng là loại IC nguồn Switching được sử dụng rất phổ biến trong các thiết bị điện tử dân dụng và công nghiệp nói chung hiện nay. Có các loại cùng họ IC này là UC3842, UC3843, UC3844 và UC3845 đều được gọi là cùng Họ IC 3842. Các IC này có cùng nguyên lý mạch bên trong giống nhau chỉ khác nhau duy nhất là mức điện áp so sánh – phản hồi để tự động điều...

Op-amp khuếch đại thuật toán là gì?

Đăng bởi CÔNG TY TNHH KORESU 28/07/2022

Op-amp là gì? Mạch khuếch đại thuật toán (tiếng anh: operational amplifier), thường được gọi tắt là op-amp là một mạch khuếch đại “DC-coupled” (tín hiệu đầu vào bao gồm cả tín hiệu BIAS) với hệ số khuếch đại rất cao, có đầu vào vi sai, và thông thường có đầu ra đơn. Trong những ứng dụng thông thường, đầu ra được điều khiển bằng một mạch hồi tiếp âm sao cho có thể xác định độ lợi đầu ra, tổng trở đầu vào...

Mosfet là gì? cấu tạo chức năng cách đo kiểm tra Mosfet sống chết

Đăng bởi CÔNG TY TNHH KORESU 28/07/2022

Mosfet là gì? Mosfet hay còn gọi là Transistor hiệu ứng trường ( Metal Oxide Semiconductor Field Effect Transistor ) là một Transistor đặc biệt có cấu tạo và hoạt động khác với Transistor  thông thường mà ta đã biết, Mosfet có nguyên tắc hoạt động dựa trên hiệu ứng từ trường để tạo ra dòng điện, là linh kiện có trở kháng đầu vào lớn thích hợn cho khuyếch đại các nguồn tín hiệu yếu, Mosfet được sử dụng nhiều trong...

Điện trở là gì? cách đọc điện trở theo vạch màu

Đăng bởi CÔNG TY TNHH KORESU 28/07/2022

Điện trở là gì? Điện trở là sự cản trở dòng điện của một vật dẫn điện, nếu một vật dẫn điện tốt thì điện trở nhỏ, vật dẫn điện kém thì điện trở lớn, vật cách điện thì điện trở là vô cùng lớn. Điện trở của dây dẫn : Điện trở của dây dẫn phụ thộc vào chất liệu, độ dài và tiết diện của dây. được tính theo công thức sau: R = ρ.L / S Trong đó ρ là điện trở xuất...

IGBT là gì? cấu tạo chức năng cách đo kiểm tra IGBT có tốt không

Đăng bởi CÔNG TY TNHH KORESU 28/07/2022

IGBT là gì? IGBT ( viết tắt của cụm từ tiếng anh Insulated Gate Bipolar Transistor) là Transistor có cực điều khiển cách ly là loại linh kiện bán dẫn công suất 3 cực. IGBT kết hợp khả năng đóng cắt nhanh của MOSFET và có khả năng chịu tải lớn của Transistor thông thường. IGBT cũng là phần tử được điều khiển bằng điện áp, do đó công suất điều khiển yêu cầu sẽ cực bé. IGBT là loại van với công...

Đồng hồ vạn năng là gì? cách sử dụng đồng hồ vạn năng

Đăng bởi CÔNG TY TNHH KORESU 28/07/2022

Đồng hồ vạn năng là gì? Đồng hồ vạn năng là thiết bị điện tử có khả năng đo điện đa chức năng. Chúng được ứng dụng trong công việc đo và kiểm tra nhanh các thông số điện một chiều, xoay chiều. Các thông số mà đồng hồ vạn năng có thể đo được như: Cường độ dòng điện, điện áp, điện dung, tần số, điện trở, kiểm tra liên tục, đo kiểm tra diode… Ngoài ra còn có một số...

Chất lượng hàng đầu
Chất lượng hàng đầu

Cam kết tất cả sản phẩm chính hãng 100%

Giao hàng siêu nhanh
Giao hàng siêu nhanh

Chúng tôi cam kết giao hàng trong 24h

Mua hàng tiết kiệm
Mua hàng tiết kiệm

Giảm giá & khuyến mại với ưu đãi cực lớn

Hỗ trợ online 24/7
Hỗ trợ online 24/7

Gọi ngay 0965994040 để được tư vấn

popup

Số lượng:

Tổng tiền:

Sale

Không sẵn có

Hết hàng